Lunedì, 27 Aprile 2026
  • AGLAIA Scale Elicoidali
    per le Suite Diamond dell'Hotel Hermitage di Montecarlo
  • LOFT
    Material Expressions
  • VIP
    Leggerezza e Trasparenza
  • AXIS
    TOTAL WHITE
  • HIKARI
    HIKARI per il Resort Wine Hotel in Montenegro
  • SHIBA
    Scale Elicoidali

INTARSIO




Analogamente al modello Sphira, anche in questo caso l’utilizzo delle incisioni e taglio laser permettano di dare libertà alla fantasia. In questo caso l’utilizzo di linee geometriche confe- riscono eleganza ad una recinzione sobria e minimalista.

DETTAGLI


SCHEDA TECNICA

DISEGNO TECNICO

A) Larghezza struttura monoblocco pedonale
1200 mm
(B) Larghezza struttura monoblocco carraio
3400/4400/5400 mm
(C) Altezza fuori terra struttura monoblocco 1800 mm
Profilo portante struttura monoblocco pedonale Tubolare 80x80x3 mm
Profilo portante struttura monoblocco carraio Tubolare 120/150x120/150x3 mm
Profilo portante anta cancello Tubolare 60x40x2 mm
Costruito in Acciaio S235 JR
Trattamento del pannello Zincato a caldo norme EN-ISO 1461
Trattamento a richiesta Polveri poliesteri per esterni tinte RAL


RECINZIONE ABBINABILE

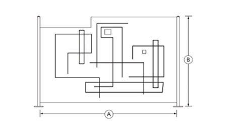
SCHEDA TECNICA

DISEGNO TECNICO

 A) Interasse pannello  1530 mm
 (B) Altezza pannello  950/1150/1450 mm
Profilo portante forato  Pannello di lamiera spessore 30/10
 Piantone con staffa (50x30x2 mm.)  1000/1200/1500 mm
Piantone affogamento (50x30x2 mm.)  1200/1400/1700 mm
Costruito in  Acciaio S235 JR
Trattamento del pannello  Zincato a caldo norme EN-ISO 1461
Trattamento a richiesta Polveri poliesteri per esterni tinte RAL

 

Prodotti box Slider

< >
VIP
Scale d'architettura a sbalzo
Scala a sbalzo a doppio gradino in acciaio al titanio
AXIS plus
Scale d'architettura scatolate
Scala scatolata in acciaio e parapetto in cristallo

Il sito utilizza i cookie per offrirti una migliore esperienza di navigazione. Utilizzando questo sito, acconsenti agli utilizzi di cookies